5EID0

featured.png

Exam Solutions Verilog 2024-04-16

Worked out solutions to the Verilog based questions on the Computer Architecture final exam of 2024-04-16. Now Including the UART Parity checker, 2C.
thumbnail.jpeg

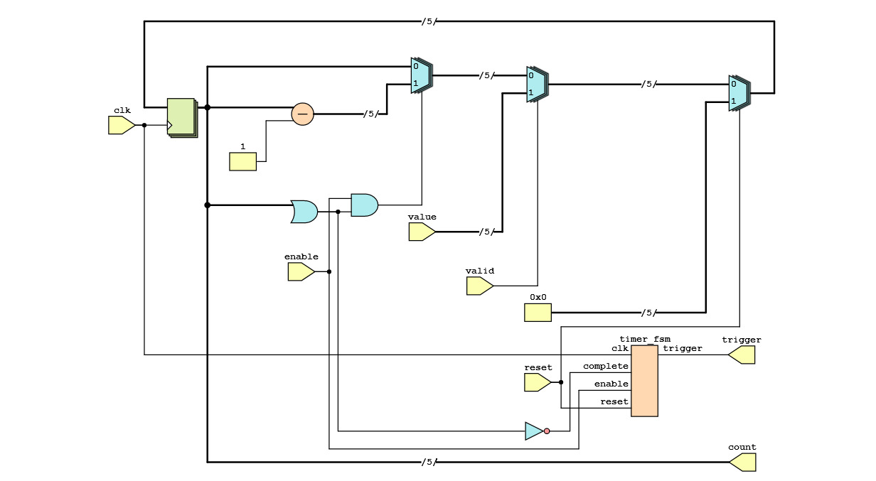
Schematic to Verilog

A detailed guide to converting schematics, as seen on the 5EID0 exam, efficiently into Verilog. View links to a PDF as well as a PPTX version are provided. Embedding the PDF was too much of a pain.

View as: PDF or PPTX Current Version: V2